中文
English
日本語
关于我们
公司简介
发展历程
企业文化
社会荣誉
产品中心
车轮
模具
装备
技术品质
技术优势
品质保证
全球市场
新闻资讯
信息公示
人才在兴龙
职业发展
社会招聘
校园招聘
联系我们
新闻资讯
新闻资讯
首页
新闻资讯
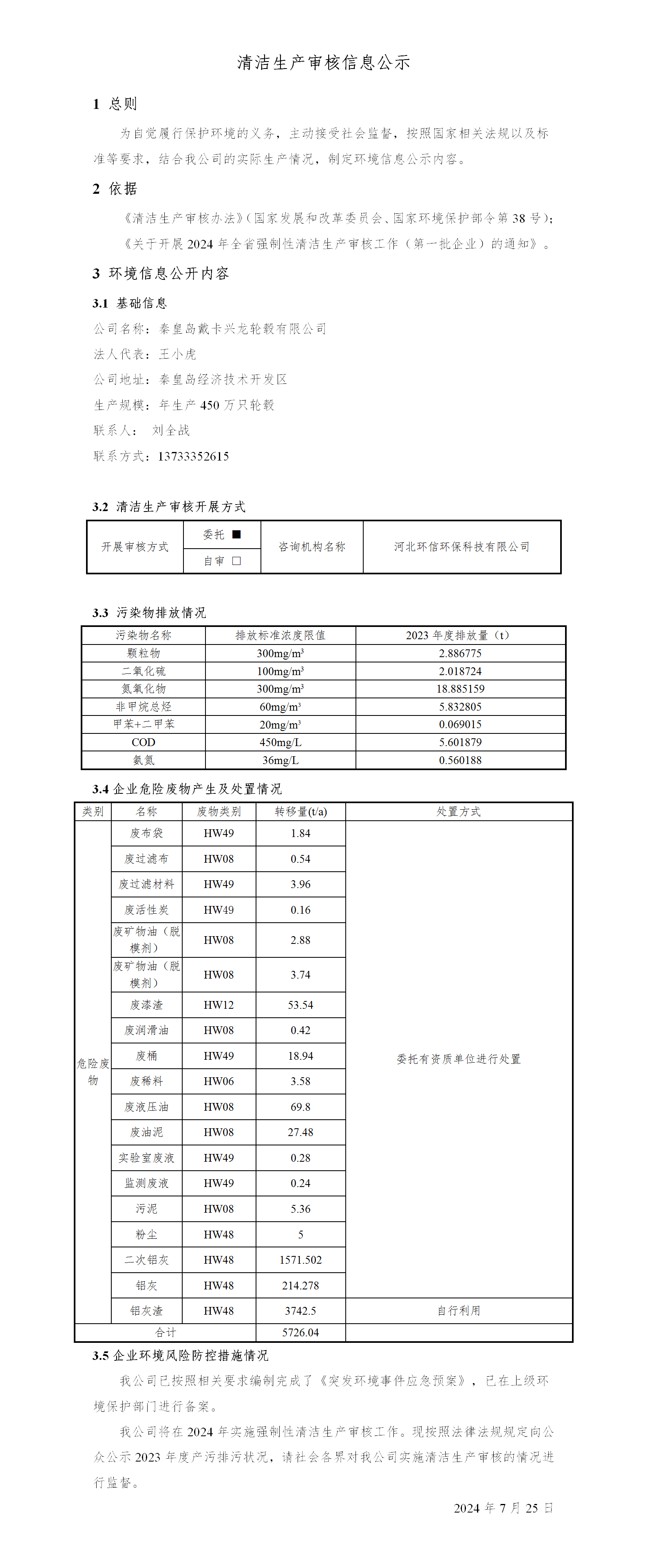
清洁生产审核信息公示
发布日期:2024-07-25
作者: